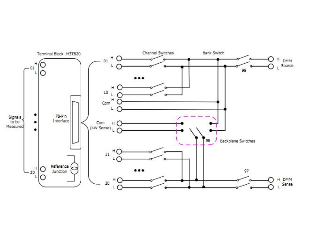
Тип модуля - мультиплексор. Макс.количество каналов - 20. Конфигурация: 2 (HI и LO) х10. Схема измерения: 2-х и 4-х проводная. Скорость сканирования 60 кан./сек. Скорость включения/выключения 200 кан/сек. Макс. входное напряжение (DC, AC) 300 Вскз. Макс. сила тока (DC, AC) 1 Аскз. Макс. мощность 50 ВА. Полоса AC - 1 МГц.
Изготовление на заказ



