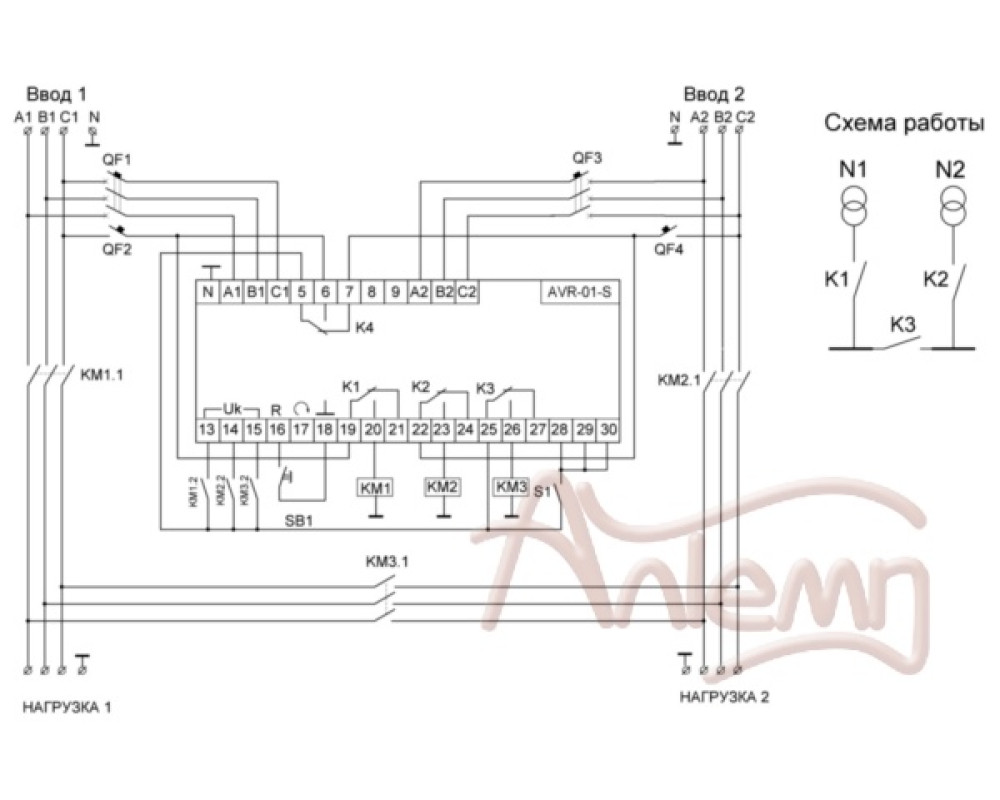
Для работы в блоках АВР-2.1 управление контакторами и моторприводами, 6 модулей, монтаж на DIN-рейку
Основные характеристики
- Назначение
- Управление резервным питанием
- Серия
- AVR
- Страна производства
- Беларусь
- Тип изделия
- Автоматический ввод резерва
Питание, сеть
- Напряжение питания, В
- 3х400B+N
- Максимальный ток, А
- 4х16
Защитные характеристики
- Степень защиты
- IP20


