Двухуровневое, выбор режима работы, раздельные регулировки задержки переключения по уровням, 1 модуль, датчик в комплекте PZ2 (3 шт), монтаж на DIN-рейку
Основные характеристики
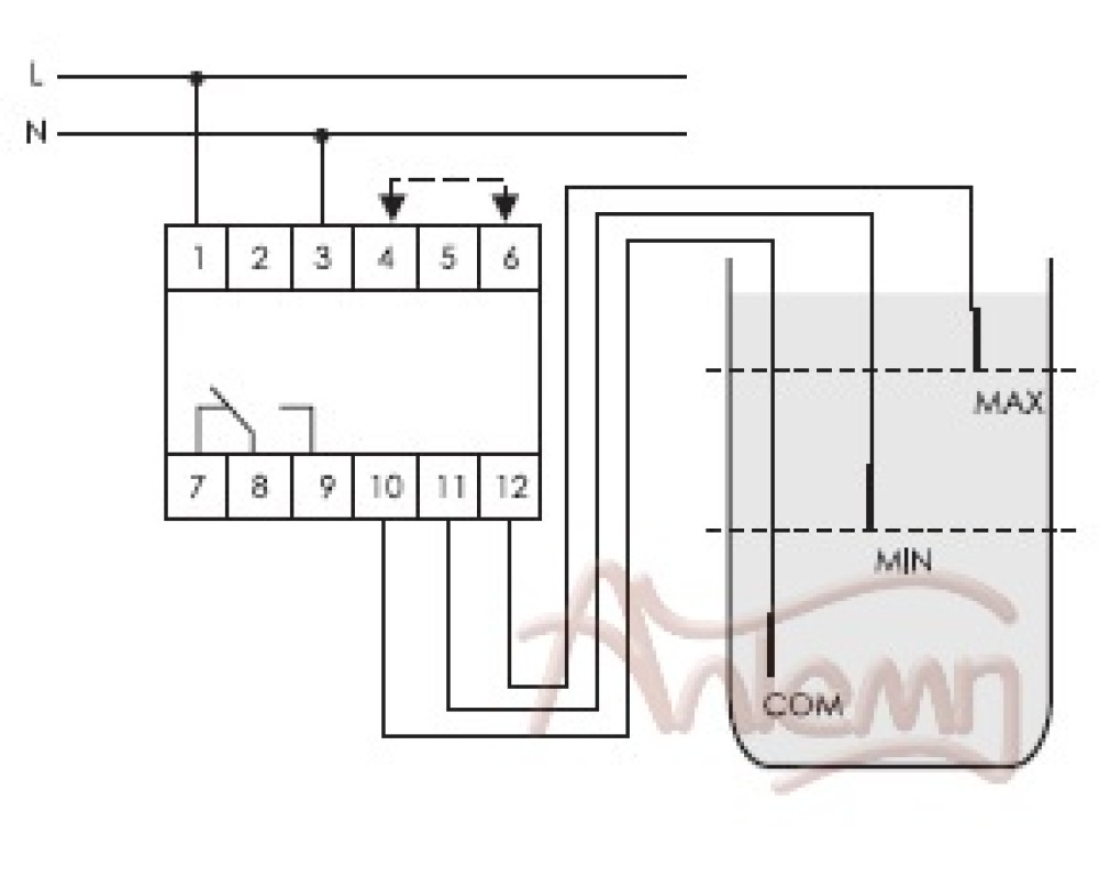
- Назначение
- Контроль и управление уровнем жидкости
- Серия
- PZ
- Страна производства
- Беларусь
- Тип изделия
- Реле контроля уровня
Питание, сеть
- Напряжение питания, В
- 50-260
- Максимальный ток, А
- 8
Защитные характеристики
- Степень защиты
- IP20

