Регулируемые асимметрия и время отключения, 2 модуля, монтаж на DIN-рейке
Основные характеристики
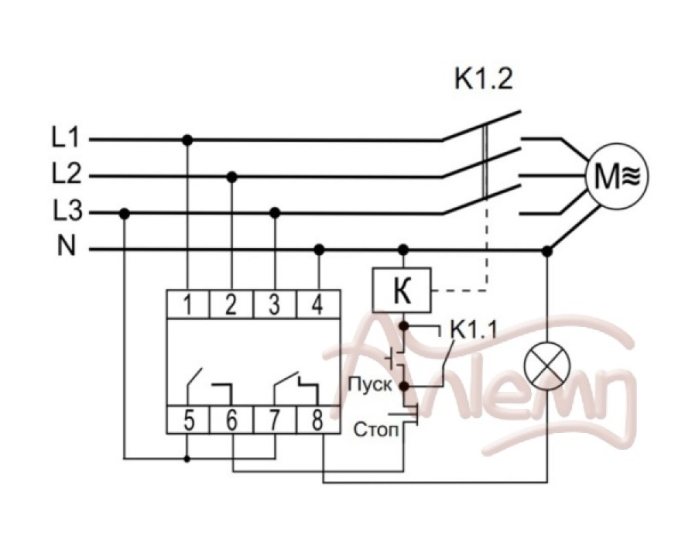
- Назначение
- Контроль наличия фаз/Контроль чередования фаз/Контроль асимметрии напряжения/Контроль обрыва нулевого провода
- Серия
- CKF
- Страна производства
- Беларусь
- Тип изделия
- Реле контроля фаз
Питание, сеть
- Асимметрия напряжения, В
- 40-80
- Гистерезис, В
- 5
- Напряжение питания, В
- 3х400\230+N
- Потребляемая мощность, Вт
- 1.6
Рабочие характеристики
- Задержка выключения, сек
- 0.5-15
Условия эксплуатации
- Диапазон рабочих температур, ⁰С
- -25 ... +50
Защитные характеристики
- Степень защиты
- IP20
Монтаж, установка
- Монтаж/Установка
- DIN-рейка
