Контроль напряжения: нижний порог 150-210 В, верхний порог 230-290 В, 3 модуля, монтаж на DIN-рейку
Основные характеристики
- Назначение
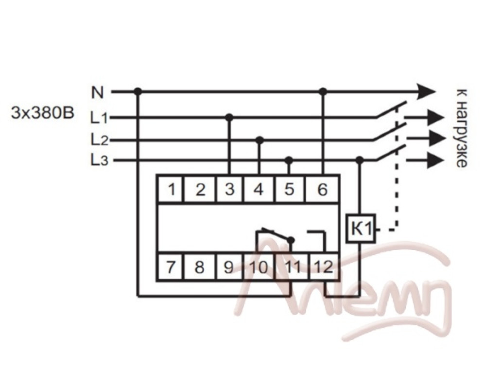
- Контроль напряжения в трехфазной сети переменного тока
- Серия
- CP
- Страна производства
- Беларусь
- Тип изделия
- Реле контроля напряжения
Питание, сеть
- Гистерезис, В
- 5
- Напряжение отключения верхнее, В
- 230-260
- Напряжение отключения нижнее, В
- 150-210
- Напряжение питания, В
- 3х400\230+N
- Максимальный ток, А
- 8
- Потребляемая мощность, Вт
- 1.75
Защитные характеристики
- Степень защиты
- IP20
Монтаж, установка
- Монтаж/Установка
- DIN-рейка
