Датчик уровня воды в баке БАСТИОН купить в компании АлТемп г. Рязань
Датчик уровня воды в баке БАСТИОН
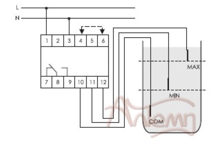
Кондуктометрический датчик уровня воды в баке. 3 электрода (уровня), выбор уровней контроля пользователем. Материал электродов — нержавеющая сталь. Расширенная гарантия.
Основные характеристики